塑料拉伸試樣的制備及尺寸要求
來源:天氏庫力 發布日期
2025-04-25 瀏覽:
拉伸試驗是對試樣延期縱軸方向施加靜態拉伸負荷,使其破壞,通過測量試樣的屈服力、破壞力和試樣標距間的伸長來求得試樣的屈服強度拉伸強度和伸長率。
1.高分子試樣的制備和尺寸要求:
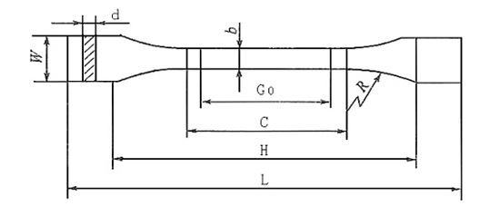
I型試樣及尺寸:

I型試樣

I型試樣尺寸要求
II型試樣及尺寸:

II型試樣

II型試樣尺寸要求
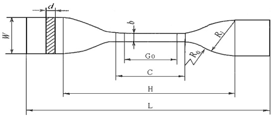
III型試樣及尺寸:

III型試樣

III型試樣尺寸要求
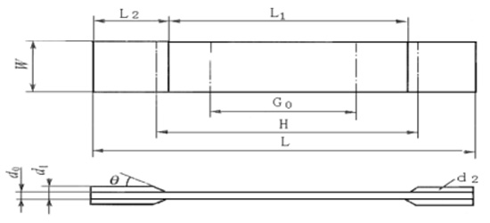
IV型試樣及尺寸:

IV型試樣

IV型試樣尺寸要求
2.不同類型的塑料材料測試速度參考:

測試速度參考
A:1±50%,B:2±20%,C:5±20%,D:10±20%,E:20±10%,
F:50±10%,G:100±10%,H:200±10%,:500±10%
3.試驗設備:
上拉下壓型萬能試驗機
4.塑料試樣拉伸實驗步驟:
①試樣的狀態調節和試驗環境按國家標準規定;
②在試樣中間平行部分做標線,示明標距;
③測量試樣中間平行部分的厚度和寬度,精確到0.01mm,II型試樣中間平行部分的寬度,精確到0.05mm,測3點,取算術平均值;
④夾具夾持試樣時,要使試樣縱軸與上下夾具中心連線重合,且松緊適宜;
⑤選定試驗速度,進行試驗;
⑥記錄屈服時負荷,或斷裂負荷及標距間伸長試樣斷裂在中間平行部分之外時,此試樣作廢,另取試樣補做。
推薦閱讀
【本文標簽】:塑料拉伸試樣的制備,塑料拉伸試樣尺寸
【責任編輯】:天氏庫力 版權所有:http://www.65874.cn/轉載請注明出處